The Society of Reflective Personalities - Vitrodetrinite, Liptodetrinite and Inertodetrinite

The Unresolved Anonymous

Personality:
The Unresolved Anonymous Meeting

The room is quiet and slightly tense. The kind of atmosphere that settles when no clear decision can be reached. The lamp has been adjusted, but the light still falls unevenly across the table.

“Right. You’re all here because nobody could agree what you were. So, who wants to start?” Collodetrinite asks.

“I can go first,” replies Liptodetrinite. “It was another frustrating day. No one can see me in normal light. I am invisible. I need a special light to be seen” she unburdens, “I am small without a specific shape that characterises my group, “ she continues with a tear in the corner of her eye.

“I totally understand you, my dear,” says Vitrodetrinite. “I am rarely counted. It’s like I don’t even exist. I need to be isolated from my group to have an identity. But I still have my self-worth.”

“Now, now. We know that things aren’t straightforward, even when we have the right light conditions.” says Collodetrinite trying to calm the two, while studying Inertodetrinite who stands next to the window looking distractedly at the people outside. “Another rough day,” thinks Collodetrinite. “He appears more reflective more often than not.” “Care to join us?” ask Collodetrinite.

Inertodetrinite sighs and sits with the group. “I just don’t get why people get so confused. Look at the size. Look at the reflectance. Look at the shape. Or no shape, depending on how look at it,” he rants to no one in particular.

Collodetrinite takes a deep breath. “This isn’t about proving what you are,” he says. “It’s about recognising when too many interpretations remain defensible.”

“Thank you everyone for coming here today,” says Collodetrinite. “To end our meeting, we have a poem by Emily Dickinson to help get us to the next sample.”

I’m nobody! Who are you?

Are you nobody, too?

Then there’s a pair of us—don’t tell!

They’d banish us, you know.

How dreary to be somebody!

How public, like a frog

To tell your name the livelong day

To an admiring bog!

Scientist’s Note:
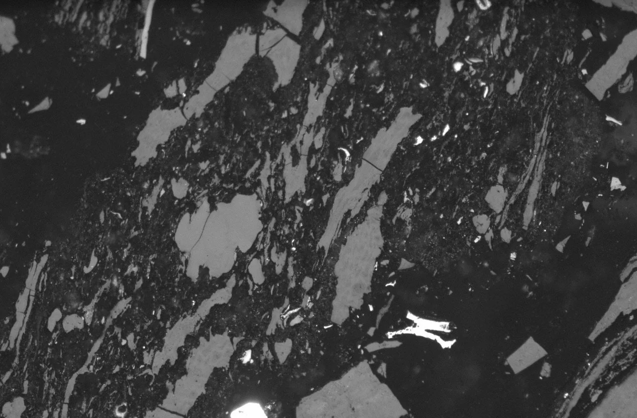
Vitrodetrinite is a detrovitrinite maceral of the vitrinite group, composed of fine vitrinitic fragments derived from strongly degraded woody and parenchymatous tissues. It occurs as discrete particles, with recognisable boundaries only when isolated from the vitrinite groundmass, most commonly within mineral matrices such as clays. Rounded particles have a maximum dimension of less than 10 µm, whereas thread-shaped fragments have a minimum dimension of less than 10 µm.

In reflected white light, vitrodetrinite shows reflectance comparable to associated vitrinite of equivalent rank, making identification dependent on textural context rather than reflectance alone. When embedded within collodetrinite or collotelinite, it cannot be reliably distinguished and should not be identified separately.

Vitrodetrinite generally shows little to no fluorescence unless secondarily impregnated by bituminous substances from adjacent liptinite macerals.

Liptodetrinite is a detrital maceral of the liptinite group, consisting of fine fragments of liptinite macerals that have lost their original biological morphology through degradation and fragmentation.

In reflected white light, liptodetrinite is dark and difficult to distinguish from surrounding groundmass. Identification relies primarily on fluorescence under blue or UV excitation, where it commonly displays yellow to orange fluorescence at low rank. Fluorescence weakens and disappears with increasing thermal maturity.

Chemically hydrogen-rich, liptodetrinite contributes to early hydrocarbon generation. Misidentification is common, requiring careful evaluation of fluorescence behaviour and association with other liptinite macerals.

Inertodetrinite is a detrital maceral of the inertinite group, composed of fine fragments derived from various inertinite precursors, including fusinite, semifusinite, and related macerals. Original cellular structures are absent. Compact grains have a maximum dimension of less than 10 µm, while thread-shaped fragments have a minimum dimension of less than 10 µm.

In reflected white light, inertodetrinite exhibits higher reflectance than associated vitrinite of equivalent rank and typically shows no fluorescence. Positive relief in polished sections may aid identification due to its greater polishing hardness.

Inertodetrinite represents oxidised or thermally altered organic matter and corresponds to kerogen Type IV, contributing little to hydrocarbon generation. Correct identification requires comparison with the local vitrinite reflectance range and surrounding maceral context.

Scientist’s note based on:

ICCP, 1998. The new vitrinite classification (ICCP System 1994). Fuel 77, 349-358.

Pickel, W., Kus, J., Flores, D., Kalaizidis, S., Christanis, K., Cardott, B.J., Misz-Kennan, M., Rodrigues, S., Hentschel, A., Hamor-Vido, M., Crosdale, P., Wagner, N., ICCP, 2017. Classification of liptinite – ICCP System 1994. International Journal of Coal Geology 169, 40–61.

ICCP, 2001. The new inertinite classification (ICCP System 1994). Fuel 80, 459-471.

Previous
Previous

The Society of Reflective Personalities - Gelinite

Next
Next

The Society of Reflective Personalities - Bituminite