The Society of Reflective Personalities - Gelinite

The Shapeshifter

Personality:
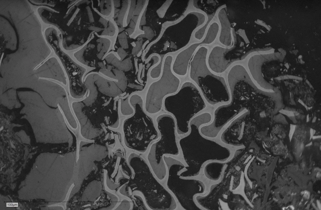
Gelinite appears unexpectedly, emerging from dark voids and spaces.
Most petrographers go their entire careers without meeting her, and those who do are rarely certain it was her at all.

She does not arrive with the others. She comes later, when compression intensifies and structures begin to fail. Her fluid nature allows her to occupy spaces that become available. In narrow cracks she appears precise and resolved, as if she had always been part of the structure. In rounded cavities she becomes ambiguous, sometimes indistinguishable from others, sometimes mistaken for corpogelinite. She allows the confusion. Identity, to her, is contextual.

As a secondary maceral, she exists because something else failed to remain whole.

She hides in plain sight — not by disappearing, but by adapting her form.
Her form shifts with circumstance, her presence conditional, her recognition never guaranteed.

If you think you have found her, she asks only one thing:

“Are you sure that is me?
Are you really sure?”

And then she lets the microscope decide.

Scientist’s Note:
Gelinite is a maceral of the gelovitrinite subgroup within the vitrinite maceral group. It consists of secondary, gelified humic material that occurs as amorphous masses filling voids, fissures, pores, and cavities within coal and associated sedimentary organic matter. Unlike telovitrinite and detrovitrinite macerals, gelinite lacks primary botanical structure and is recognised primarily by its mode of occurrence rather than morphology.

In reflected white light, gelinite displays reflectance similar to associated vitrinite of equivalent rank, though it may appear slightly more homogeneous. Identification relies on its occurrence as discrete infillings, commonly bounded by fractures or cavities, and its distinction from corpogelinite, which typically forms rounded, discrete bodies rather than fracture-filling material.

Gelinite is relatively rare in coal, reflecting the specific conditions required for preservation of gelified humic material as a distinct maceral. Its presence indicates late-stage mobilisation and redistribution of humic gels during peatification or early coalification, following structural disruption of the organic matrix.

Scientist’s note based on:

ICCP, 1998. The new vitrinite classification (ICCP System 1994). Fuel 77, 349-358.

Previous
Previous

The Society of Reflective Personalities - Macrinite

Next
Next

The Society of Reflective Personalities - Vitrodetrinite, Liptodetrinite and Inertodetrinite