The Society of Reflective Personalities - Collodetrinite

The Grumpy Middle-Aged Man

Personality:
Collodetrinite has been ground down by life — literally. Compacted, reworked, and utterly done with everyone else’s drama.

He sits in the background of every polished block, grumbling that no one notices how much of the sample he actually makes up. When collotelinite lectures about uniform reflectance, collodetrinite mutters, “Try staying coherent after you’ve been blended into a mottled groundmass and expected to be homogeneous.” He’s skeptical of everything — illumination systems, classification schemes, even the concept of “homogeneity” and size (yes, because size matters). Yet he holds the structure together, stoically binding the past into something whole.

Underneath the cynicism lies experience. Collodetrinite knows that cohesion is what matters the most.

Scientist’s Note:
Collodetrinite belongs to the vitrinite group and forms in situ from parenchymatous and woody tissues of roots, stems, and leaves composed mainly of cellulose and lignin. During the early peat stage, intense biochemical decomposition destroys the original plant structures. The resulting fine debris becomes cemented by humic colloids and later homogenized through gelification (vitrinitization). Cellulose-derived material appears to contribute more commonly than lignin-rich wood, and in low-rank coals, precursors include attrinite and densinite.

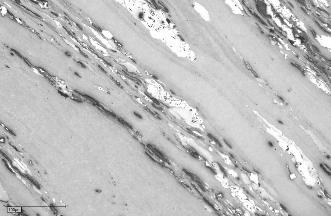
Collodetrinite lacks textural continuity and consists of a mixture of vitrinite particles less than 10 µm in size and amorphous vitrinitic matter (ICCP, 1998), or less than 20 µm in the longest direction (AS 2856.2, 1998). However, in sections perpendicular to the bedding, its thickness can vary. Collodetrinite can be distinguished from collotelinite by the presence of other maceral and mineral particles within its groundmass.

Under reflected light, it appears as a fine grey matrix lacking distinct structure, with reflectance slightly lower than the corresponding collotelinite. Fluorescence varies with rank and degree of bituminization, showing warm hues from yellow-brown to red-orange, generally stronger than in collotelinite. Associated liptinite macerals such as alginite and cutinite can enhance fluorescence intensity.

When collodetrinite looks beaten, it isn’t defeated — it’s settled. After all, some of us are at peace with the lack of structure.

More information here:

ICCP, 1998. The new vitrinite classification (ICCP System 1994). Fuel 77, 349-358.

Australian Standards, AS 2856.2, 1998. Coal Petrography Part 2: Maceral Analysis. 34 pages.

Next
Next

The Society of Reflective Personalities - Collotelinite